Description
Poignée à bouton-poussoir en alliage de zinc solide (ZDC), surface: couleur or, poli brillant, PK03GA
Application :
Serrure solide et élégante de haute qualité en ZDC pour tiroir, meubles de camping-car, bateaux, avions privés et bien plus encore.

Les poignées à bouton-poussoir PK03GA peuvent être encastrées dans la surface de la porte lorsqu’elles ne sont pas utilisées. Ceci est particulièrement pratique pour les espaces mobiles tels que les caravanes, les caravanes, les yachts, les navires et les avions privés.

Les poignées de mobilier de haute qualité PK03GA ont un design naturel attrayant et sont idéales pour, entre autres:
- bateaux de croisière
- yachts
- Porte de meuble d’armoire
- Tiroir
- Meubles de VR
- bateaux
- avions privés
Matériel :
- Les poignées à bouton-poussoir PK03GA de haute qualité sont fabriquées en alliage de zinc solide (ZDC)
surface :
- Couleur or, brillant poli
Montage :
- La fixation se fait à l’aide des vis incluses dans la livraison (vis à tête ronde plate M3 x 20)
- La poignée à pression a un trou de montage avec filetage interne
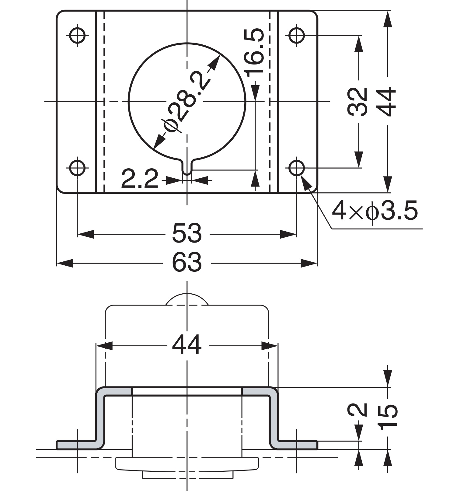
- Pour les portes d’une largeur de 15 mm (19/32 ») à 25 mm (63/64 »), seul un trou d’un diamètre de ⌀28 mm (1,11 ») doit être percé
- Pour les portes d’une épaisseur de porte de 26 mm (1-1/32 ») à 35 mm (1-3/8 »), un trou partiel d’un diamètre ⌀40 mm doit également être percé afin d’y arrimer (partiellement) la contrepartie (voir dessin) (pour plus de détails, voir
le dessin d’assemblage
)



Caractéristiques :
- Poids : 67g
- Taille: 18.8 mm (0.8 »)
- Minutieusement traité
- Haute qualité
- Ergonomique
- Écurie
- Robuste
- Couleur or, brillant poli
- Haute qualité de marque de Sugatsune / LAMP®
Pour plus de dimensions et de détails, voir le dessin technique .
Les dimensions :
- Diamètre de la poignée du bouton-poussoir (⌀D): ⌀18,8 mm (47/64 »)
- Longueur (H): 19 mm (3/4 »)

Inclus dans la livraison :
- Poignée à bouton-poussoir PK03GA en 1 pièce en alliage de zinc solide, de couleur or, brillant poli
- 1 pièce à tête ronde plate vis M3 x 20 en acier
Numéro de référence du fabricant :
- ID de l’article: 100-019-954
- Numéro d’article: PK03GA
- Numéro EAN: 4510932012232
Fabricant: Sugatsune / LAMP® (Japon)








